微❤关注“电气仔推送”获得资料(专享优惠)
简介:
同一电力系统在不同风电渗透率下遭受同一负荷扰动时,其频率变化规律所示:
(1)随着电力系统中风电渗透率的不断提高,风电零惯性响应对于系统影响越来越大,导致系统惯性响应能力越来越弱。
(2)随着电力系统中风电渗透率的不断提高,电力系统最大频率偏差数值以及稳态频率偏差数值都将会增大。
随着我国风电事业的不断发展,电力系统中的风电占比不断升高,变速风电机组通过增加频率环节对转子惯性和桨距角控制,可具备惯性响应和一次频率调节能力。在遭受扰动时为保证整个电力系统的安全与稳定,有必要增加具有快速响应能力的储能系统响应电力系统调频指令。提出将储能与风电自身调频手段相结合,参与系统频率调节。利用储能的柔性控制作用,弥补风 电机组自身惯性控制时间短和变桨控制响应慢的不足,提高了电力系统频率稳定性。
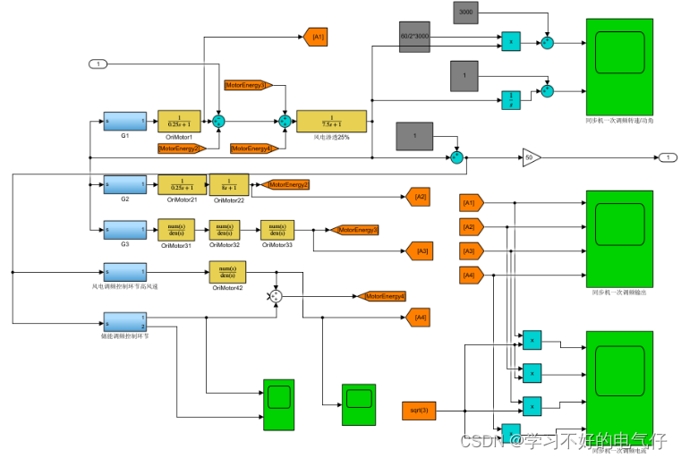
此仿真模型为四机两区系统,采用频域模型法使得风电渗透率25%,附加虚拟惯性控制,储能附加下垂控制,参与系统一次调频,系统频率特性优。
模型主体:

风电渗透25%,风电不调频

风电渗透25%,风电调频低风速

风电渗透25%,风储调频

仿真结果:

当负载发生突变时,风机输出功率,提供虚拟惯量。

由图可知,当负载突变时,风储联合调频下的频率特性更好,回复速度快,偏差小!!
更多【编程技术-电力系统风储联合一次调频MATLAB仿真模型】相关视频教程:www.yxfzedu.com